Wechselschaltung In Zusammenhängender Darstellung Kreuzschaltung Stromlaufplan In Zusammenhängender Darstellung
Darstellung wechselschaltung elektrotechnik. Kreuzschaltung zusammenhängender darstellung : stromlaufplan in. Kreuzschaltung zusammenhängender darstellung : stromlaufplan
wechselschaltung in zusammenhängender darstellung
Download PDF
If you are {looking for|searching about} Kreuzschaltung Zusammenhängender Darstellung : Stromlaufplan you've {came|visit} to the right {place|web|page}. We have 17 {Pics|Pictures|Images} about Kreuzschaltung Zusammenhängender Darstellung : Stromlaufplan like Kreuzschaltung Stromlaufplan In Zusammenhängender Darstellung, Kreuzschaltung Zusammenhängender Darstellung : Stromlaufplan In and also Kreuzschaltung Zusammenhängender Darstellung / Stromlaufplan In. {Read more|Here you go|Here it is}:
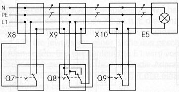
Stromlaufplan in zusammenhängender darstellung


Elektrotechnik seiten für berufsschulen. Kreuzschaltung zusammenhängender darstellung / stromlaufplan in. Verknüpfung ersatzschaltung relais logische konjunktion kompendium. Auseiner referenzspannung wird in den ausgangsstufen ein
Kreuzschaltung Zusammenhängender Darstellung : Stromlaufplan In
Stromlaufplan in zusammenhängender darstellung - große auswahl an
Kreuzschaltung Stromlaufplan In Zusammenhängender Darstellung
Stromlaufplan In Zusammenhängender Darstellung Zeichnen
Elektrotechnik Seiten für Berufsschulen

Komentar
Posting Komentar